BeagleBone Green 用の工作
 - ケース、バッテリー電源、USBケーブル 2017年1月

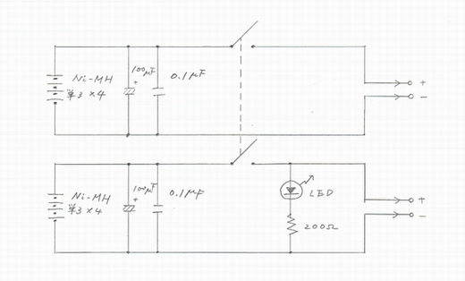
 MPDプレイヤーに使うため、手のひらに乗る小さなPC、 BeagleBone Green(BBG) を導入した。  その際、ケース、バッテリー電源、USBケーブルを作り、使用環境を整えた。BBGのバッテリー駆動は、音質に好影響をもたらしてくれる。メモとして、オーディオ用途でBBGを使う方のご参考に供したい。 ■ケース  BBGは、カードサイズの基板だけで販売されている。付属品は、USBケーブル1本のみ。ケースも電源も付いていない。  ケースは、外部企業から BeagleBone Black(BBB) 用にはプラスチック製、金属製が出てはいるが、BBGに使うには少し加工が必要だ。値段も張る。  タカチの小型ケース KC 3-8-10 を使って、うまくいった。  外寸 h30・w75・d100。4面がアルミ製、前面・背面がABS樹脂製で、穴あけ加工が容易だ。値段も900円ほど。  穴をあけるだけの工作なので、説明は省く。6mm長の六角スペーサーで基板を取り付けた。  誂えたような大きさで、ぴったりBBGの基板が納まる。見た目も悪くない。  BBGは発熱が少なく、特に放熱対策をせずケースに入れたが、ケースがほんのり温かくなる程度で、支障は無さそうだ。  このケースは、ドリル、やすりの加工が必要だが、BBG及びBBB用にお勧めできる。   底板に取り付けたBBG    (SDカードからの起動のため、ジャンパー線でP8ピンソケットの#1と#43を短絡)   ケースに入ったBBG(背面)    (端子の長方形穴を大きくあけすぎ、すきまが生じた) ■バッテリー電源  BBGの電源はDC5Vで、外部からUSBクライアントポート(USB-マイクロB)で供給される。BBBは独立したDCジャックだったが、廃止された。  電源を付属せず、①PCなどUSBホストのバスパワー、②ACアダプターやモバイルバッテリーなど、USB経由の5Vを想定しているのだろう。  しかし、①、②はいずれもスイッチング電源で、PCオーディオ用途にはプアーだ。モバイルバッテリーも電池といっても、DC-DCコンバータで昇圧している。  DC5V電源について、自作のトランスを使ったリニア電源に加え、ニッケル水素電池(単3×4本≒5V)、TRACO社製スイッチング電源の3種を試聴した。  音質に順位をつければ、電池電源 > リニア電源 > スイッチング電源だった。楽器の音のそれらしさ、低域の底力など、敢えて言えばというレベルだが、微妙な違いがある。  電源の対象機器の効き方の順位は、MPDプレイヤー > USB-DACの接続確立用 > スイッチング・ハブだった。  (USBの接続確立用は接続時だけ必要で、いったん接続すればあとは切って良い。それでも効くのは意外だ。)  この結果から、MPDプレイヤーについては、ニッケル水素電池によるバッテリー駆動を採用することにした。 ●バッテリー電源 簡易型  BBG用としては、ニッケル水素電池 単3×4本用の電池ボックス(スイッチ付)があれば、こと足りる。  工作は、コネクターを付けただけだ。コネクターを介し、下記の自作USBケーブルを使ってBBGに5Vを供給できる。  これで、BBGの電源として実際に使うことができるが、ただ、この電池ボックスは安物で頼りなく、電池の出し入れなど使い勝手が良くないのが難点だ。   バッテリー電源 簡易型 ●バッテリー電源 最終型  簡易型を試用してみて、本格的なものを作りたくなった。よりしっかりした電池ボックスはないか。スイッチとともにパイロットランプがあると良い。MPDプレイヤー用だけでなくUSB-DACの接続確立用もバッテリー化するため、5Vを2回路にしたい。と欲が出る。  単3×4本を2組、スイッチ、LEDパイロットランプ、という構成にした。独立したバッテリー電源2回路と贅を尽くした!? おまけとして、安定化、ノイズ吸収のため、コンデンサーも並列。   回路図  工作としては、アルミ板上部に、スイッチ、LEDパイロットランプを付け、下部にタカチの単3×4本用電池ボックス MD-4B を2個を吊り下げた。天板だけで恰好が悪いが、電池交換は容易だ。スイッチが立派過ぎだが、手持ちの部品を使ったので。  ニッケル水素電池は、MPDプレイヤー用には、パナソニックのエネループ ハイエンドモデル(2,500mAh)、電流が流れないUSB接続確立用には、エネループ スタンダードモデル(1,900mAh)をそれぞれ使うことにする。  どちらも定格1.2V×4本=4.8Vだ。満充電時は実測5.6V程度になる。5Vぴったりではないのだが、このくらいの違いなら問題ない。  電池の持続時間は思ったより長く、MPDプレイヤー(BBG)を10時間近く駆動できそうだ。MPDの音楽再生用途として実用になる。放電すると電圧が急降下し、MPDの音楽再生が途絶える。途絶えた時点の実測4.7V。  MPDプレイヤー用は、電池4本ずつ2組の交代で、外部充電器で充電し運用している。  もう一方のUSB接続確立用は、相当に長持ちするだろう。  下記の自作USBケーブルを使って、MPDプレイヤー(BBG)をバッテリー駆動した音質は上々だ。鮮やかさと迫力がある。   バッテリー電源 最終型 ■USBケーブル  付属のUSBケーブルは、USB-マイクロB/USB-A だ。これでは、外部電源を使うことができない。BBGのバッテリー駆動を実現するには、USBケーブルの自作が必要だ。  別稿のUSBケーブルの自作記事で、外部電源を使う「短・単・離」型を紹介した。これと同じものを、USB-マイクロB コネクタで自作する。  材料のUSBコネクタは秋葉原の千石電商で、線材はオヤイデ電気で入手できる。私は、以前買った手持ちのものを使った。  以前のミニBコネクタでの経験からして、さらに小さいマイクロB コネクタとなれば、素人の私にはとてもハンダ付けできない。既成のマイクロB USBケーブルを購入し、コネクタの根元で切断して、導線同士をハンダ付けする方法をとった。反対側のUSB-Aコネクタは、ハンダ付け。短い時間で15cm長のケーブル1本ができた。   市販のマイクロB USBケーブルを切断して利用   完成した USBケーブル(外部電源を使う短・単・離型) ■まとめ  信号ラインと電源ラインを分離したUSBケーブルで、しかも電源にはバッテリーを使う。当初の、普通のUSBケーブルにスイッチング電源という状態に比べれば、効果があって当然と言える。  ニッケル水素電池は、市販のリニア電源よりずっと低コストながら、クリーンな5V電源として十分実用になる。USBケーブルも、ちょっとしたハンダ付けの工作だけ。オーディオ用途でBBGを使うなら、今回の工作はメリットありだ。